trous d'homme spéciaux
Guard propose des couvercles de trou d'homme spéciaux pour les charges présentant un risque d'explosion, par exemple, ou avec un raccord spécial sur le couvercle. Les couvercles spéciaux sont également disponibles dans différents matériaux, comme les couvercles en Halar, en caoutchouc ou en hasteloy.
Nous fournissons également des couvercles de trou d'homme sur mesure. N'hésitez pas à nous contacter pour une consultation.

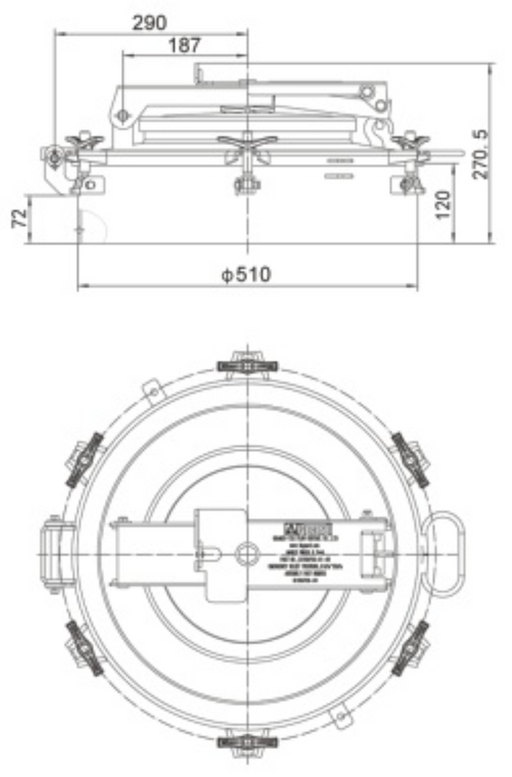
Ensemble Manlid 500MM Profil bas - Réservoir de Peroxyde / H2O2
GUARD™Matériau : 316L + disque de rupture rayé 10" et support de disque + protection
Assemblage de couvercle d'homme DN500 avec support de disque de rupture -8 points. (500mm)
GUARD™Ensemble de couvercle DN500 avec support de disque de rupture - 8 points.Couvercle avec bride de montage de disque de rupture de 10 pouces. Structu...
Afficher tous les détails500mm Manlid Cover with Special Connection
GUARD™304/316L. 220 degree working Temp + Manlid Seal
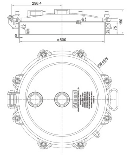
Assemblage de trou d'homme de DN500 avec inspection de DN170, 8 points (500mm/170mm)
GUARD™Assemblage de couvercle DN500 avec inspection DN170 - 8 points. Couvercle avec inspection DN170 et interface pour soupape de sécurité. Différentes ...
Afficher tous les détailsHydrogen Peroxide Mangat Samenstelling - 500MM 8-punts deksel
GUARD™Incl. ontluchtingsventiel, materiaal: 316L roestvast staal 500MM mangat Laag profiel - Peroxide / H2O2 Tank
Ensemble Manlid 500MM + Trappe d'inspection
GUARD™Pression de travail 4bar, pression d'essai 6bar, matériau : Acier au carbone Q345R
Ensemble de couvercle d'homme DN500 (500 mm) avec inspection DN260 (260 mm)
GUARD™Ensemble Manlid DN 500 avec inspection DN260 - 8 points. Couvercle Manlid avec inspection DN260.
DN500 Manlid Assembly With DN300 Inspection
GUARD™DN 500 (500 mm) Ensemble Manlid avec inspection DN300 (300 mm) - 8 points. Couvercle de visite avec inspection DN300.
Ensemble couvercle d'égout DN500 avec dispositif de vidange d'urgence (500 mm)
GUARD™DN500Ensemble couvercle avec dispositif de vidange d'urgence-8 points. Le dispositif de vidange d'urgence est installé sur le couvercle du couvercl...
Afficher tous les détailsEnsemble de collier profond à bride soudée DN500 (500 mm)
GUARD™Ensemble de collier profond à bride soudée DN 500 - 8 points. La bride est soudée à l'intérieur de l'assemblage. La bride est utilisée pour install...
Afficher tous les détailsEnsemble de couvercle d'homme poli DN500 (500 mm)
GUARD™Ensemble de couvercle d'homme poli DN500 - 8 points.Toutes les pièces à l'intérieur du composant du couvercle d'accès qui entrent en contact avec l...
Afficher tous les détailsEnsemble de couvercle d'homme à montage sur bride DN500 (500 mm)
GUARD™Ensemble de couvercle d'homme à montage sur bride DN 500 - 8 points. Le collier du couvercle d'homme est boulonné au corps du réservoir via une bri...
Afficher tous les détails(DN500mm) Ensemble de couvercle d'homme avec Halar
GUARD™Manlid DN500 avec points Halar-8. Le manlid est adapté aux réservoirs à revêtement HALAR (épaisseur du revêtement Halar 0,5 mm~1 mm).Tous les compo...
Afficher tous les détails(DN500mm) Ensemble de couvercle d'homme avec caoutchouc
GUARD™Montage du manchon avec caoutchouc - 8 points. Les manchons conviennent aux réservoirs recouverts d'un revêtement en caoutchouc (épaisseur du revêt...
Afficher tous les détailsDN500 Explosionsgeschützte Schachtkonstruktion
GUARD™Assemblage de couvercle anti-explosion DN500, couvercle avec dispositif de déverrouillage d'urgence. Lorsque la différence de pression entre l...
Afficher tous les détailsCouvercle de visite standard européen DN500
GUARD™Couvercle de regard DN500 conforme à la norme européenne, exigences de conception conformes à la norme QC/T 1065-2017. Le couvercle à bride et le r...
Afficher tous les détailsActualités & Blog | Guard Europe B.V.
-
Le clapet de réservoir Guard résiste au test à basse température : -65 °C, 6 heures. Certifié indépendamment comme fiable pour le GNL et les conditions arctiques.Lire maintenant