Brides de sortie / Capuchons de protection Réservoir
Dans cette catégorie, vous trouverez un aperçu des accessoires tels que les brides de sortie, les capuchons anti-poussière, les joints et les câbles de secours pour les vannes de fond des conteneurs-citernes. L'illustration ci-dessous présente un aperçu des différents composants nécessaires à l'assemblage d'une vanne complète.
Pour toute question, n'hésitez pas à contacter l'un de nos collègues.
EN14432

Joint d'étanchéité de réservoir - 8x14mm PCD178mm, d = 3mm
GUARD™Dichtung Tankdichtung - 8x14mm Lochkreis 178mm, d = 3mm
Joint, envelope PTFE / CNAF, diamètre interne 81mm
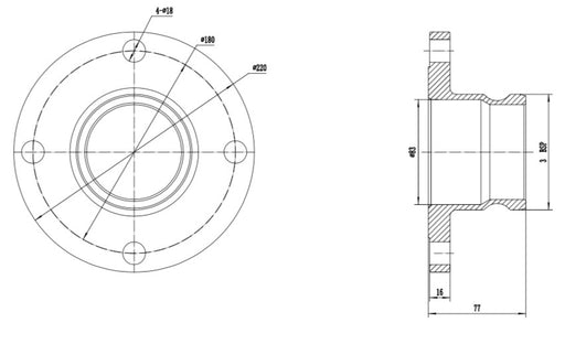
GUARD™Diamètre extérieur carré 144 mm, 4x18 x PCD145 mm, joint de sortie de la valve de pied de 3", 5005-052
Joint, CNAF / PTFE
GUARD™Joint, CNAF / PTFE, diamètre interne 90mm, diamètre externe 90mm, diamètre extérieur carré 144mm, 4xΦ18xPCD145-160mm, joint de sortie de vanne à bo...
Afficher tous les détailsBride de sortie de 3" BSP - Décharge inférieure
GUARD™Bride à la sortie BSP, acier inoxydable 316, 368/8047
Capuchon anti-poussière 3" BSP en acier inoxydable avec chaîne et joint PTFE
GUARD™Capuchon anti-poussière 3" BSP en acier inoxydable avec chaîne et joint PTFE
Boulon M16x110, acier inoxydable 304
GUARD™Jeu d'entretoises de décharge inférieure
Jeu de vis pour bonde de fond 3".
GUARD™8 boulons
DN80 Bride de sortie à verrouillage à came - Décharge par le bas
GUARD™DN80 Bride de sortie de la serrure à came - Décharge inférieure bridée à la sortie de la serrure à came, acier inoxydable 316, 369/8058
Bouchon d'accouplement rapide 3"
GUARD™Raccord : Raccord rapide de type DC pour montage par le bas.Joint : BUNA-N (sur demande) -10°C à +80°CEPDM (sur demande) -20°C à +130°CViton (sur d...
Afficher tous les détailsSortie 3" BSP Revêtement PFA
GUARD™Sortie 3" BSP Revêtement PFA
Lien fusible - Température de conception 110 ° C
GUARD™Le lien fusible est conçu pour se rompre à 110 +/- 5ºC (212ºF). Cette pièce est facile à installer sur les réservoirs et s'adapte à différents type...
Afficher tous les détailsValve de pied Levier de commande, acier inoxydable 304
GUARD™Valve de pied Levier de commande, acier inoxydable 304
Câble en acier inoxydable de 4M, diamètre 5mm
GUARD™Câble en acier inoxydable de 4M, diamètre 5mm
Bride à souder pour clapet de fond de 45° 3" pour décharge au fond
GUARD™Bride à souder pour clapet de fond de 45° 3" pour décharge au fond
Bride carrée à bride ronde (pour s'adapter à l'évacuation par le bas)
GUARD™Raccordement ; bride carrée à bride ronde pour montage avec vidange par le fond
Bride à souder pour soupape de fond à 30 degrés
GUARD™Bride à souder pour soupape de fond à 30 degrés
Bride aveugle pour décharge inférieure
GUARD™Bride aveugle pour décharge inférieure
Actualités & Blog | Guard Europe B.V.
-
Le clapet de réservoir Guard résiste au test à basse température : -65 °C, 6 heures. Certifié indépendamment comme fiable pour le GNL et les conditions arctiques.Lire maintenant