Vanne d'entrée d'air à boisseau sphérique Dispositif de commande à distance
Télécommande d'admission d'air pour conteneurs-citernes et camions-citernes (solution GLO)
La télécommande d'admission d'air est une solution Ground Level Operated (GLO) qui permet de commander de manière sûre et efficace la vanne d'admission d'air d'un conteneur-citerne ou d'un camion-citerne depuis le sol. Grâce à cette solution de télécommande d'admission d'air pour conteneurs-citernes, l'opérateur n'a plus besoin de grimper sur le conteneur-citerne pour ouvrir ou fermer les vannes.
Cela permet non seulement de gagner un temps considérable lors du chargement et du déchargement, mais surtout d'améliorer la sécurité de l'opérateur. Le risque de chute et d'accident est considérablement réduit, car toutes les opérations s'effectuent au niveau du sol.
Solution Ground Level Operated pour conteneurs-citernes et camions-citernes / conteneurs-citernes GLO

EN14432
Filtres
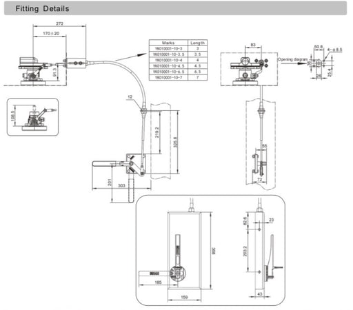
Télécommande, 6 mètres, avec robinet à boisseau sphérique d'entrée d'air 1,5 "BSP Type 1
GUARD™Version de type 1 Télécommande, disponible en différentes tailles. Commande pour ouvrir/fermer l'entrée d'air de manière contrôlée depuis le sol.
Télécommande, 4,5 m, avec vanne à boisseau sphérique à entrée d’air BSP 1,5" Type 1
GUARD™Le dispositif de commande à distance de la vanne à boisseau sphérique d’admission d’air est conçu pour permettre d’utiliser la vanne par le bas. Ce...
Afficher tous les détailsVanne à bille d'entrée d'air 1,5" BSP, télécommande, 4M Type 1
GUARD™Ensemble complet de télécommande pour conteneur-citerne. Comprenant : poignée, entrée d'air 1,5" et câble. Version I
Vanne à bille d'entrée d'air 1,5" BSP Télécommande, 3 m
GUARD™Version I
Télécommande, 4,5 mtr, avec vanne à double raccordement de 1,5". Type 1
GUARD™TYPE1
Télécommande, 6 mètres, avec robinet à boisseau sphérique d'entrée d'air 1,5 "BSP Type 2
GUARD™Version de type 2 Télécommande, disponible en différentes tailles. Commande pour ouvrir/fermer l'entrée d'air de manière contrôlée depuis le sol.&n...
Afficher tous les détailsRemote control, 4,5 mtr met 1,5" Air Inlet kogelkraan Type 2
GUARD™Type 2-versie Afstandsbediening, verkrijgbaar in verschillende maten. Bediening om de luchtinlaat op een gecontroleerde manier te openen/sluiten va...
Afficher tous les détailsAfstandsbediening, 4 mtr, met 1,5" BSP Luchtinlaat Kogelkraan
GUARD™TYPE 2
Câble de télécommande 6M
GUARD™Câble de télécommande 6M
Câble de télécommande 4M
GUARD™Câble de télécommande 4M
Câble de commande de 4,5 M
GUARD™Câble de commande de 4,5 M
Tige d'accouplement pour vanne à bille d'entrée d'air 1,5" BSP
GUARD™Acier inoxydable 304
Joint pour vanne à boisseau sphérique 1,5"
GUARD™4 trous
Capuchon anti-poussière 1,5" BSP en acier inoxydable avec chaîne et joint PTFE
GUARD™Capuchon anti-poussière 1,5" BSP en acier inoxydable avec chaîne et joint PTFE
Jeu de boulons pour robinet à boisseau sphérique d'entrée d'air
Guard Europe BV304
Actualités & Blog | Guard Europe B.V.
-
Le clapet de réservoir Guard résiste au test à basse température : -65 °C, 6 heures. Certifié indépendamment comme fiable pour le GNL et les conditions arctiques.Lire maintenant