Clapet de pied inférieur 3" 45 degrés
Vannes de fond à soupape de 3" 45° Highlift pour conteneurs-citernes, conçues pour un soutirage sûr et efficace des liquides. Ces vannes de fond sont équipées d'un mécanisme highlift qui garantit un débit élevé et convient aux applications industrielles exigeantes.
Les vannes peuvent être équipées d'un dispositif d'arrêt optionnel, adapté à la fois à une commande d'urgence et à une connexion à fusible, ce qui augmente considérablement la sécurité en cas d'urgence.
Les vannes de fond sont conformes aux normes de sécurité européennes en vigueur et sont livrées avec l'homologation EN 14432.

Filtres
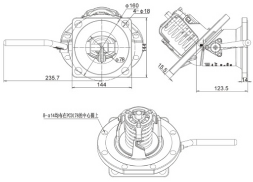
3" 45 ° clapet de fond, entrée 8 × 14 × PCD178, sortie 4 × 18 × PCD160,
GUARD™3" 45 degrés clapet de fond - Bride percée 8x14 PCD 178. Prise 4x18 PCD160 Option - Dispositif d’arrêt pour urgence et lien fusible.
3" Soupape de fond 45 degrés avec chauffage
GUARD™3" 45 degrés soupape de fond avec chauffage
Clapet de pied 3″ 45° avec revêtement Halar
GUARD™Clapet de pied à revêtement Halar 3″45° – Bride d'entrée percée de 8 trous de ø 14 mm équidistants sur un PCD ø 178. Bride de sortie percée de 8 tr...
Afficher tous les détails3" 45 ° clapet de fond + 3" clapet papillon serti + 3" sortie BSP
GUARD™Bride sur sortie 3" BSP + capuchon anti-poussière 3" BSP, acier inoxydable 316
Ensemble de décharge par le fond à 45° de 3 pouces, revêtu de PFA
Guard Europe BV3-Zoll-Bodenablaufgarnitur mit 45°-Neigung, PFA-beschichtet
Vanne de fond 3" 45° avec vanne d'échantillonnage, vanne de fond 3" 45°
GUARD™Vanne de fond à 45 degrés de 3 pouces avec vanne d'échantillonnage - Vanne de fond à 45 degrés de 3 pouces + vanne papillon à pince de 3 pouces + ...
Afficher tous les détailsDécharge inférieure unifiée 3" DC Camlock
GUARD™Raccord Camlock 3" DC Unify à décharge par le bas - Bride percée 8x14xPCD178.Option - Dispositif d'arrêt d'urgence et fusible.
Joint d'étanchéité de réservoir - 8x14mm PCD178mm, d = 3mm
GUARD™Dichtung Tankdichtung - 8x14mm Lochkreis 178mm, d = 3mm
Valve de pied Levier de commande, acier inoxydable 304
GUARD™Valve de pied Levier de commande, acier inoxydable 304
Câble en acier inoxydable de 4M, diamètre 5mm
GUARD™Câble en acier inoxydable de 4M, diamètre 5mm
Jeu de vis pour bonde de fond 3".
GUARD™8 boulons
Kit d'étanchéité pour 3" soupape de fond
GUARD™joint principal et joint de broche inclus
Kit d'entretien valve de pied 3"
GUARD™3" Soupape à pied (Ensemble cimblette / axe / bloc de manivelle solide / plaque supérieure à ressort et ressort / poignée) Numéro de l'article : SN...
Afficher tous les détailsPoignee pour soupape de fond
GUARD™Poignee pour soupape de fond
Axe pour soupape de fond
GUARD™Spindel voor bodemklep
Plaque supérieure à ressort pour clapet de fond
GUARD™Plaque supérieure à ressort - clapet de fondNuméro de l'article; JS468009-03
Joint torique encapsulé pour clapet de fond
GUARD™Joint torique encapsulé pour clapet de fond
Poppet solide pour vidange par le bas
GUARD™Poppet solide - vidange par le bas Acier inoxydable 316, 324/2020Numéro de l'article : JS468009-02
Ressort pour clapet inférieur
GUARD™Ressort pour clapet inférieur Acier inoxydable 316, 5104-971
Clapet de pied Broche
GUARD™Pour valve de pied 3" 45 degrés JS468009-00 Matériau : 316
Pince de farce pour 3" 180 degrés clapet de pied
GUARD™Pince de farce pour 3" 180 degrés clapet de pied
Ensemble bloc manivelle, CF8M
GUARD™Ensemble bloc manivelle, CF8M
3" 90º Highlift manuel Vanne de fond
Guard Europe BVVanne à pied 3" 90º - bride d'entrée percée de 8 trous de 14 mm équidistants sur un PCD de 178 mm, bride de sortie percée de 4 trous de 17 mm équid...
Afficher tous les détailsActualités & Blog | Guard Europe B.V.
-
Le clapet de réservoir Guard résiste au test à basse température : -65 °C, 6 heures. Certifié indépendamment comme fiable pour le GNL et les conditions arctiques.Lire maintenant